抜け防止
ダブルロック電源ケーブル
特注OK
PSE対応
RoHS10対応

抜け防止 ダブルロック電源ケーブルは、ネットワーク機器やサーバー~コンセントバー(PDU)間の電源入出力両方の抜け留め対策が行える電源ケーブルです。両端を抜け留め金具や結束バンドなどの取り付け作業なしに工具不要でワンタッチでロックを掛けられます。
ネットワーク機器やサーバー ~ PDU間の両側電源ケーブルの脱落事故を防止
プラグ側(C14/C20)は、PDUのアウトレットのスナップイン(溝)を利用し、
工具不要でワンタッチロック
ソケット側(C13/C15/C19)は従来から好評のロックタイプで、
工具不要で接続する機器を選びません
C13/C15 Lock Slimタイプの詳細はこちらをご参照ください
C19LKタイプの詳細はこちらをご参照下さい
評価用としてC14/C20 Lock片側カットサンプルを提供可能(C13/C15 Lock Slim/C19 Lockの片側サンプルも提供可)
片側カットサンプル申し込みフォーム
(カットサンプル品のためコネクタの嵌合確認以外にはご使用しないでください!)
C14/C20 Lock 嵌合の仕組み

POINT
プラグ側(C14/C20)に接続するコンセントバー(PDU)のアウトレットがスナップイン構造ではない場合、ロックが機能しない場合がございますが通常の嵌合には問題はございません。
注意
全てのPDUやUPSなどでのロックを保証するものではございません。カットサンプルをご用意させて頂きますので検証確認をお願い致します。
注意
本製品は日本国内仕様です。日本国外ではご使用いただけません。
C14/C20 Lock 挿抜方法


抜け防止 ダブルロック電源ケーブル 仕様
C14 Lock仕様
| プラグ | IEC C14 Lock |
|---|---|
| ソケット | IEC C13/C15 Lock Slim、IEC C19 Lock |
| ケーブル | HVCTF 2.0SQ x 3芯 |
| カラー | 黒 |
| 定格 | 15A-250V |
| 認証 | PSE、RoHS2 |
| 保持力 | C13/C15/C19…200N、C14…100N (参考値) |
| 許容曲げ半径 | 51mm |
| 使用温度範囲 | -10℃~+60℃ (但し定格電流を満たすには+45℃までを温度上限とする) |

C20 Lock仕様
| プラグ | IEC C20 Lock |
|---|---|
| ソケット | IEC C19 Lock |
| ケーブル | HVCTF 2.0SQ x 3芯 |
| カラー | 黒 |
| 定格 | 16A-250V |
| 認証 | PSE、RoHS2 |
| 保持力 | C19…200N、C20…100N(参考値) |
| 許容曲げ半径 | 51mm |
| 使用温度範囲 | -10℃~+60℃ (但し定格電流を満たすには+45℃までを温度上限とする) |

抜け防止 ダブルロック電源ケーブル 発注情報
| プラグ | ソケット | 定格 | 長さ | 型番 | 備考 |
|---|---|---|---|---|---|
C14 Lock![]() |
C13 Lock Slim![]() |
15A 250V | 0.5m | APW15-C14DL/C13LS-00.5 | 在庫品 参考図面 |
| 1m | APW15-C14DL/C13LS-01 | ||||
| 2m | APW15-C14DL/C13LS-02 | ||||
| 3m | APW15-C14DL/C13LS-03 | ||||
C14 Lock![]() |
C15 Lock Slim![]() |
15A 250V | 2m | APW15-C14DL/C15LS-02 | 在庫品 参考図面 |
C14 Lock![]() |
C19 Lock ![]() |
15A 250V | 0.5m | APW15-C14DL/C19LK-00.5 | 在庫品 参考図面 |
| 1m | APW15-C14DL/C19LK-01 | ||||
| 1.5m | APW15-C14DL/C19LK-01.5 | ||||
| 2m | APW15-C14DL/C19LK-02 | ||||
C20 Lock![]() |
C19 Lock![]() |
16A 250V | 1m | APW16-C20DL/C19LK-01 | 在庫品 参考図面 発売予定 |
| 2m | APW16-C20DL/C19LK-02 | ||||
| 3m | APW16-C20DL/C19LK-03 |
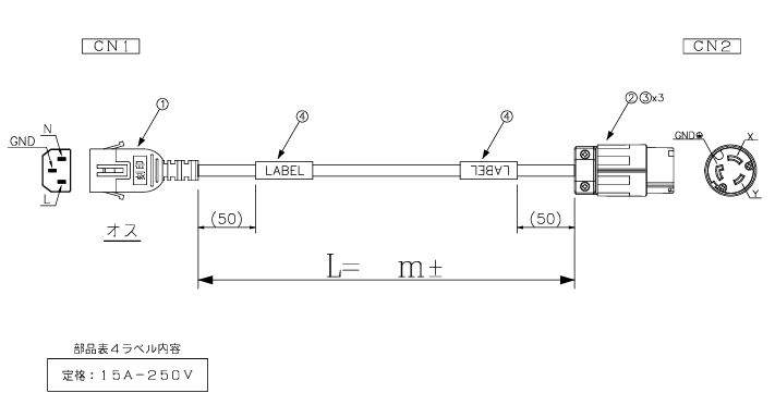
特注電源製作例
*プラグ側(C14ロック)は抜け防止タイプです。
*PDUなどとの接続をロックして、ソケット側をNEMAコネクタに変更する事も可能です。





